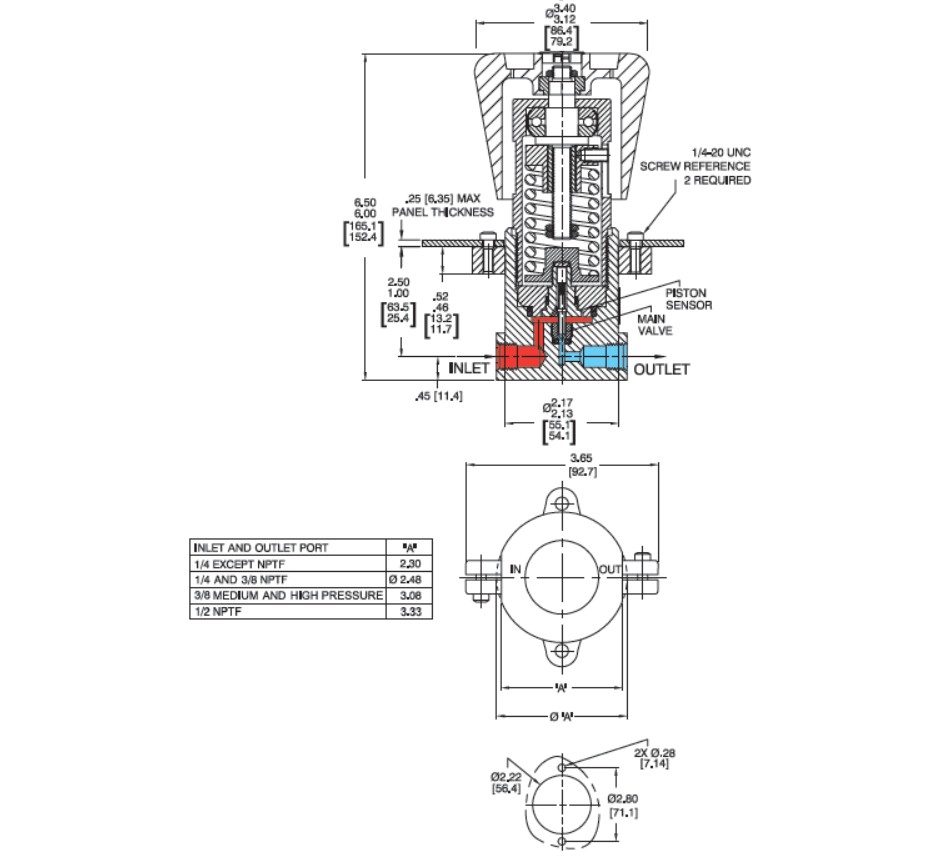
26-1700 Series Control Pressure Regulator
26-1700 Series regulator controls pressures up to 15,000 psig / 1034 bar and is suitable for gas or liquid service. Ideal for pump discharge pressure control, reactor pressure control and over-pressurization relief.


